Filtrační šachta Drainstar DN 400
Kód: M101047000400Související produkty
Detailní popis produktu
Použití
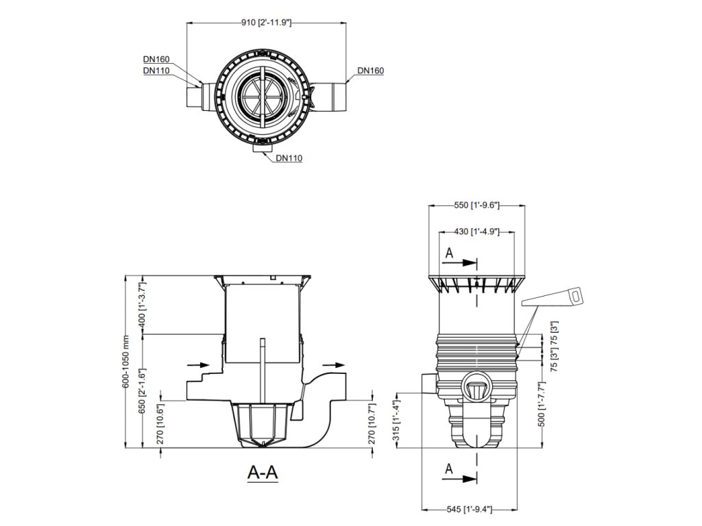
Filtrační šachta Drainstar DN 400 z odolného plastu je ideálním řešením pro zachycení nečistot před podzemní nádrž na dešťovou vodu nebo objekt vsakování. Šachta dokáže filtrovat až 500 m2 z odvodňovaných střech.
Hlavní výhody šachty
Velká výhoda této šachty je, že má nátok a odtok ve stejné výšce. Tato šachta je vyrobena z odolného plastu a obsahuje vyjímatelný koš. Koš je nutno pravidelně vysypávat. Šachta se osazuje zeleným poklopem. Poklop je pochozí.
Výškově nastavitelná
Filtrační šachta je připravena na osazení nástavce - prodloužení pro případ hlubšího uložení potrubí. Nástavec zakoupíte samostatně.
Technické parametry
- hmotnost i s poklopem: 13 kg;
- připojitelná plocha odvodňované střechy: max. 350 m² (DN 110) nebo 500 m² (DN 160);
- dimenze nátoku/odtoku: 2 x DN 110 / 1 x DN 160;
- velikost ok koše: 0,35 mm;
- objem filtračního koše: 15 l;
- nátok a odtok ve stejné výši: ano;
- materiál šachty: plast;
- délka (od nátoku k odtoku): 91 cm;
- výška šachty: 65 cm;
- průměr šachty: 54,5 cm;
- výška při lehce nasunutém poklopu jako je i na prvním obrázku bez zkracování: 78 cm.
Doplňkové parametry
| Kategorie: | Filtrační koše a šachty |
|---|---|
| Záruka: | 2 roky |
| Hmotnost: | 15 kg |
| EAN: | 4023122216261 |
Renomovaný německý výrobce nádrží, šachet a jiných vodohospodářských produktů.
| Výrobní společnost : | Otto Graf GmbH |
|---|---|
| Adresa : | Carl-Zeiss-Str. 2-6 DE-79331 Teningen Deutshland |
| E-mail : | mail@graf.info |
